Novel laser drivers for LiDAR applications, offering high-current along with short pulses

FBH research: 11.09.2017

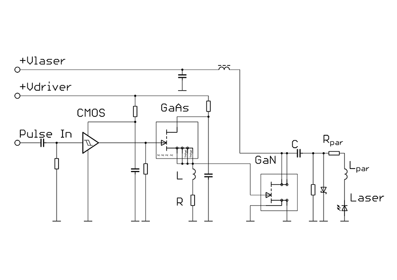
Fig. 1: Schematic pulse driver

Fig. 2: Peak current and optical output power of a laser diode in a double driver stage

Fig. 3: Schematic of a group of four pulse drivers

Fig. 4: Double laser driver assembly with interface

Autonomous driving together with electro mobility are main R&D targets of the automotive industry for the near future. Despite major advances, various technical issues still need to be solved to make autonomous driving secure under all traffic and environmental conditions. In particular, a multitude of sensors is required, which attracts increasing attention to LiDAR (Light Detection And Ranging) sensors that supplement RADAR, video and ultrasonic sensors. Their functional principle is similar to RADAR but based on light. Moreover, LiDAR’s shorter wavelength provides the significantly higher local resolution needed for automotive applications.

For LiDAR systems, pulsed laser light sources emitting at 905 nm wavelength with an optical pulse power exceeding 100 watt at pulse widths from 5 to 20 ns are needed. Shorter pulses offer higher local resolution and lower energy, which is advantageous with respect to eye safety. To generate such short and powerful laser pulses, pulse drivers with a peak current value over 100 A are needed. The unique challenge in this time range is handling the parasitic inductances and capacitances in circuit design and assembly of the system consisting of laser diode and driver board. For this purpose, we have developed and patented methods to minimize assembly inductances. In this setup, the laser diode is directly mounted under the printed circuit without using bond wires.

Because high current level differences between output (drain) and input (gate) circuits occur, the design must carefully separate them. Due to advantageous semiconductor properties, transistors based on GaN offer the best ratio of input capacitances and output current, ena-bling to realize the fastest switches in a high current range. Since the material additionally features a low on-resistance it is possible to realize very efficient drivers.

Fig. 1 shows the pulse driver’s schematic; the input circuit is built with CMOS to reduce costs. Fig. 2 presents the optical output of a laser diode that is controlled by a single driver board. The peak pulse currents are calculated on the basis of measured average current and duty cycle. Since the laser current and the optical output power in the high current range are nearly proportional, it is possible to fit the current curve to the optical output power with acceptable accuracy.

By connecting up to four driver stages (two are standard) in parallel the output current can be multiplied with similar timing behavior like a single driver. Fig. 3 shows the schematic of the connectivity and Fig. 4 the picture of a quadruple driver assembly. An interface circuit matches the driver to the respective application.

By combining the developed highly efficient pulsed current circuits, small and robust short pulse laser drivers with pulse widths from 2.5 ns to 20 ns, repetition frequencies in the MHz range and peak currents of more than hundred amperes – depending on the configuration – can be realized. With them, state-of-the-art laser drivers were built, offering output currents never been presented before for such a short pulse range for laser drivers with variable output pulse widths.

With the drivers developed in the shorter time range (0.4 to 2 ns / 30 A) and longer time range (25 to 100 ns / 430 A), a laser driver kit system is available covering a wide range of pulsed laser applications.

These research results are part of the PLuS project (Puls-Laser und Scanner für LiDAR-Anwendungen: Automotive, Consumer, Robotic) within "Effiziente Hochleistungs-Laserstrahlquellen (EffiLAS)” in the framework of "Photonik Forschung Deutschland", funded by the BMBF until mid-2019.

Publication:

A. Liero, A. Klehr, T. Hoffmann, T. Prziwarka, W. Heinrich, "GaN laser driver switching 30 A in the sub-nanosecond range," 2016 46th European Microwave Conference (EuMC), London, 2016, pp. 1389-1392. doi: 10.1109/EuMC.2016.7824612